
Dental Care for Young Children Case Study

By Irene Chong
Ai Ling
ABOUT
THE
PROJECT
ABOUT
THE PROBLEM
Target Audience:
Young Children Aged 4-9 Years Old
Tools:
Fusion 360
UX Tools
Secondary Research, Persona, Sketches and 3D Prototype
Our task is to create a smart toothbrush to improve a child's daily dental regime and overall oral hygiene. Product must be able to be used intuitively and comfortably. It must be concepyual with intergration of existing or emerging technology.
SOLUTION
I have a create smart toothbrush with 3 different variants of the product (for different customization for different pricing) but mainly to encourage the use of toothbrushes for the young ones. all they need to do is to build the product accordingly as seen here. Music will be added to encourage users to brush their teeth in a fun manner (To make it interactive) and different modes are added for different specifications.
01
PRIOR RESEARCH ON TARGET AUDIENCE
02
IDEATION AND DESIGN DEVELOPMENT
ABLE
OF
CONTENT

03
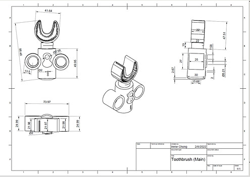
ORTHOGRAPHIC DRAWING FINAL PRODUCT
3 RENDERED IMAGES AND PERSONA
04
05
CMF STRATEGY OF
FINAL PRODUCT

T
Research on Target Market

Young Children aged 4 - 9 Years Old
Target Market
Things to
Take Note
Selected Type of Brushes

I have decided to focus on creating an electric toothbrush due to the benefits one brings to the table.
As it had power rotation to help loosen plaque, making it easier to clean (lesser stress and attention needed for younger kids, encouraging them to brush and associate it as a fun activity)
A potential product where the “electronic aspects” would spark kids’ interest.
Has timers and various speeds for children to use and be aware of dental health habits than a regular toothbrush (as not all parents have the time/knowledge in dental health. On top of that, it is also harder for children to learn due to the subject matter is boring/irrelevant topic they can relate to.)
Further Research on Types of Brushes Used by Target Audience




Interesting
Products!
Possible Brands
Here are some brands under P&Gs that can carry the product.

Specialised in Dental Care

Specialised in Toothbrushes and
Dental Floss
Selected
Brand

-
Specialized in Toothpaste, Toothbrushes, and Brush Heads (preferring to concentrate on toothbrushes primarily)
-
Have a higher brand awareness in Singapore compared to Crest.
-
Oral care industry leaders renowned for their innovation-driven approach to product development. (ability to target particular issues, such as plaque removal for electric toothbrushes.
-
Understands the oral care industry like the back of their hand. Power tip bristles and control grip , two highly specialized items developed by the company, are proof of the brand's versatility.
-
There's a need based approach to the company's positioning, such as removing plaque or reaching far flung areas of the mouth. The aim has been to discover requirements and develop new, unique goods.
-
Creates technology advanced products that uses functions such as Bluetooth for their electronic toothbrushes.
-
Opportunities:
Personal care products are currently in high demand , and Oral B, a well
known brand and a market leader in the oral care industry, may consider entering this sector.
There is also a lack of Oral B presence in the area of children's oral care, which is an area
that the company should expand into.
01
PRIOR RESEARCH ON TARGET AUDIENCE




Exploration Sketches
Product Specifications
-
Gender (Unisex)
-
Location: Asian users
-
Age range : 3-8 Years old
-
Income: affordable – mid range
-
User Concerns: Contact Pressure, Awkward Posture and Repetitive Motions


Mock
ups







In order to tackle the issues mentioned, I have created handles for users aging 2-6 since they do not have a developed motor skills yet. To train them, I have developed this method as this resembles a milkbottle/cup (something they have used ever since 2. It will be a familiar concept for them, and music timer will be used to make repetitive motions fun and engaging for them. Once ready, they can slowly remove the handles and use the typical toothbrush head when ready.
Overall
Packaging

Main
Product

Add On
Brush

Add On
Brush
Rendered Images

Rendered Images

User
Profile
Darren Toh, 5
(Bubbly, Active, Playful and Cheeky)
Bio: A 3-Year-Old Kid currently residing in Woodlands. A Playful and adventure seeking individual who enjoys exploring and eating sweets. He hates to do things that are boring and stagnant. Wants everything to be fun or engaging.

Demographic:
-
Age: 4-8 Years Old
-
Gender: Male/ Non Binary
-
Occupation: Student
-
Location: Woodlands, Singapore
-
Personality Traits: Curious, Action-Oriented, Experimental, Interactive, cheerful and Stubborn
Habits:
-
Loves waking up early in the Morning to watch cartoons
-
Hates salty/savoury food. Prefers sugary sweets and desserts
-
Loves to give his mom a run for her money during Wash Up and Studying.
-
Hates/unused to the texture of hard bristles. (bleeds often as motor skills are not refined yet. Finds brushing scary and mundane)

Toothbrush Preferences:
-
Loves automatic toothbrushes because it looks unique and dolled with his favourite colours (Primary colours) but hate how it feels on his teeth (has some loose tooth).
-
Hates manual brushes
-
Brushes his teeth, at most once a day and rarely twice a day. (because he dislike learning oral habits and wants to dance and play)

Motivation:
-
Wants to watch TV and play
-
Loves music and bright coloured things
-
Likes to eat chocolate cake and biscuits
Goals:
-
To be have more time to play with his friends
-
Wants to avoid wash-ups (Brushing of teeth)
Frustrations:
-
Finds brushing boring hence always brushing his teeth hard to get it done and over with.
-
Wants to eat more sweets but mom doesn’t allow due to his teeth bleeding and cavities.
Moodboard

Colour, Material and Finish (CMF) File

3D Prototype
of the Toothbrush
02
IDEATION AND DESIGN DEVELOPMENT
03
ORTHOGRAPHIC DRAWING FINAL PRODUCT
04
3 RENDERED IMAGES AND PERSONA
Quote: “Mommy, I want to play and eat cake!”
05
CMF STRATEGY OF
FINAL PRODUCT











